



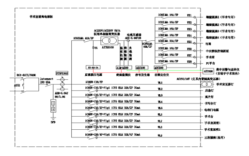
醫(yī)療IT系統(tǒng)裝設絕緣監(jiān)測裝置來監(jiān)測系統(tǒng)的絕緣狀況,各輸出回路采用了具有短路保護功能的斷路器;其它系統(tǒng)輸出回路則采用了具有漏電保護功能的斷路器。針對醫(yī)療2類場所的供電需求而設計的具有局部IT系統(tǒng)的配電柜...
立即咨詢醫(yī)療IT系統(tǒng)裝設絕緣監(jiān)測裝置來監(jiān)測系統(tǒng)的絕緣狀況,各輸出回路采用了具有短路保護功能的斷路器;其它系統(tǒng)輸出回路則采用了具有漏電保護功能的斷路器。
針對醫(yī)療2類場所的供電需求而設計的具有局部IT系統(tǒng)的配電柜。
